產品:K55/A
產品特性:


■特點:
☆與機床主軸直接連接,剛性好,精度高。
☆適用于盤類、棒類工件的精加工。
■Specificity:
☆This series chucks can be directly connected to the spindlenoses of the machne tools, with nice rigidity and high accuracy.
☆The chucks are especially suitable for precision machining of the plate and rod workpieces.
產品詳情
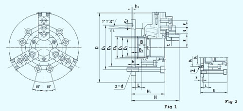
■尺寸參數 Dimension Parameters
|
規格D
Size
|
主軸頭號
Short Taper No.
|
D1
|
D2
|
D3
|
D4
|
D5
|
H1
|
H
|
h
|
h1
|
P
|
Qmax
|
Qmin
|
Rmax
|
Rmin
|
B
|
B1max
|
B1min
|
z-d
|
|
160
|
5
|
82.563
|
104.8
|
28
|
M36×1.5
|
42
|
93
|
140
|
20
|
6.5
|
20
|
20
|
7
|
33.1
|
28.3
|
20
|
15
|
-3
|
6-M10
|
|
200
|
6
|
106.375
|
133.4
|
41
|
M48×1.5
|
56
|
105
|
159
|
22
|
6.5
|
24
|
26
|
9
|
43.8
|
38.2
|
22
|
16
|
-4
|
6-M12
|
|
250
|
6
|
106.375
|
133.4
|
52
|
M60×2.0
|
68
|
120
|
175
|
25
|
6.5
|
28
|
43
|
7
|
48.5
|
42
|
30
|
18
|
-7
|
6-M12
|
|
250
|
8
|
139.719
|
171.4
|
52
|
M60×2.0
|
68
|
120
|
175
|
25
|
8
|
28
|
43
|
7
|
48.5
|
42
|
30
|
18
|
-7
|
6-M16
|
|
315
|
8
|
139.719
|
171.4
|
70
|
M80×2.0
|
94
|
137
|
206
|
30
|
8
|
32
|
56
|
17
|
61.5
|
54.5
|
30
|
20
|
-6
|
6-M16
|
|
315
|
11
|
196.869
|
235
|
70
|
M80×2.0
|
94
|
137
|
206
|
30
|
10
|
32
|
56
|
17
|
61.5
|
54.5
|
30
|
20
|
-6
|
6-M20
|
■性能參數 Characteristic Parameters
|
規格D
Size
|
楔心套行程Lmax
Axial wedge stroke
|
爪行程(直徑)
Jaw stroke(Dia.)
|
許用推拉力kN
Max. draw pull
|
最大夾緊力kN
Max. gripping force
|
極限轉速r/min
Max. speed
|
夾緊范圍
Clpmping range
|
撐緊范圍
Jamming range
|
推薦油缸
Rec.
cylinder
|
凈重Kg
Net WT
|
|
160
|
18
|
9.6
|
23
|
51
|
5000
|
12-140(160)
|
60(30)-140(160)
|
P23100,P25125
|
14
|
|
200
|
20
|
10.6
|
35
|
78
|
4000
|
16-180(200)
|
75(36)-180(200)
|
P23125,P25155
|
23
|
|
250
|
25
|
13
|
45
|
100
|
3500
|
25-230(250)
|
96(45)-230(250)
|
P23160,P25180
|
40
|
|
315
|
26
|
14
|
60
|
130
|
3000
|
40-280(315)
|
110(60)-280(315)
|
P23200,P25205
|
66
|
產品備注
※K55250/ A26,K55315/ A28參照圖2。
※K55250/ A26,K55315/ A28 are referred to in Fig 2.
|