產品:K51
產品特性:

■特點:
☆短圓柱連接形式。
☆適用于盤類零件的加工。
☆性能可靠,經濟實用。
☆是儀表車床的理想配套夾具。
■Specificity:
☆Short cylinders center mounting.
☆Suitable for processing plate material components.
☆The chucks are economic practical and with high performance reliability.
☆It is ideal equipment clamping for meter machine.
產品詳情
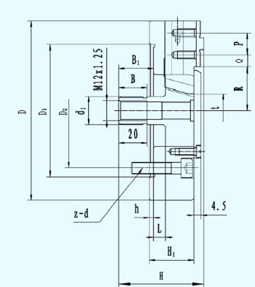
■尺寸參數 Dimension Parameters
|
規格D
Size
|
D1
|
D2
|
d1
|
H1
|
H
|
h
|
p
|
Qmax
|
Qmin
|
Rmax
|
Rmin
|
B
|
B1max
|
B1min
|
z-d
|
|
110B
|
92
|
80
|
M20×1.5
|
31.5
|
60
|
3
|
15
|
-
|
-
|
30
|
27.75
|
20
|
20
|
-21.5
|
-30
|
■性能參數 Characteristic Parameters
|
規格D
Size
|
楔心套行程Lmax
Axial wedge stroke
|
爪行程(直徑)
Jaw stroke(Dia.)
|
許用推拉力kN
Max. draw pull
|
最大夾緊力kN
Max. gripping force
|
極限轉速r/min
Max. speed
|
夾緊范圍
Clpmping range
|
撐緊范圍
Jamming range
|
凈重Kg
Net WT
|
|
110B
|
8.5
|
4.5
|
7
|
15.5
|
5500
|
-
|
-
|
2.2
|
|