產品:K53
產品特性:

■特點:
☆短圓柱連接形式。
☆油缸前置,與卡盤連為一體。
☆大通孔,大夾緊力。
☆適用于管子加工機床和焊接制備。
☆成對使用,精度高,操作方便。
■Specificity:
☆Short cylindrical center mounting.
☆Front-mounted cylinder and with chuck as a whole.
☆Large through hole and large clamping force.
☆Suitable for pipe maching , machine tool and welding equipment.
☆Using as double with high accuracy and easy operating.
產品詳情
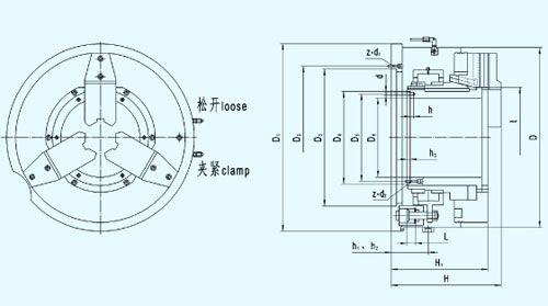
■尺寸Dimension Parameters
|
規格
Size
|
D1
|
D2
|
D3
|
D4
|
D5
|
D6
|
H1
|
H
|
h
|
h1
|
h2
|
h3
|
d
|
z-d1
|
z-d2
|
|
660
|
740
|
510
|
485
|
315
|
292
|
260
|
398
|
458
|
8
|
165
|
165
|
16
|
15.2
|
12-M10
|
12-M16
|
|
760
|
840
|
640
|
615
|
415
|
392
|
355
|
432
|
492
|
8
|
165
|
215
|
15
|
15.2
|
12-M10
|
12-M16
|
■性能參數Characteristic Parameters
|
規格D
Size
|
活塞有效面積㎝2
Piston effective area
|
活塞行程L max
Piston stroke
|
爪行程(直徑)
Jaw stroke t(Dia)
|
最大使用壓力MPa
Max. acting pressure
|
最大夾緊力kN
Max. speed
|
極限轉速r/min
Max. speed
|
夾緊范圍
Claming range
|
凈重kg
Net WT.
|
|
660
|
4×33
|
38
|
20
|
3.5
|
78
|
450
|
73-245
|
700
|
|
760
|
4×33
|
38
|
20
|
3.5
|
78
|
400
|
155-355
|
750
|
產品備注
※h1為主軸前端配置卡盤尺寸。
※h2為主軸后端配置卡盤尺寸。
※h1is chuck dimension that matched in front of spindle.
※h2 is chuck dimension that matched at back of spindle.
|