產品:K53D
產品特性:

■特點:
☆短圓柱連接形式。
☆前置式氣動夾緊,卡盤內藏氣缸,機床前后可各配一臺卡盤。
☆卡爪大行程,主要適用于管子車庫。
☆內藏逆止閥,斷開氣源,方可工作。
■Specificity:
☆Short cylindrical center mounting.
☆Front-equipped air operated clamping the pnenmatic cylinder inside chuck and a set of chuck can be equipped in front or rear of the machine.
☆Suitable for pipe lathes large stroke jaw
☆The inverted valve equipped inside and the chucks just work when switching off air source.
產品詳情
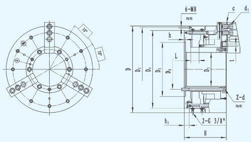
■尺寸Dimension Parameters
|
規格D
Size
|
D1
|
D2
|
D3
|
D4
|
D5
|
H
|
C
|
h
|
h1
|
d1
|
z-d
|
|
500(520)
|
325
|
240
|
203
|
466
|
502
|
252.5
|
2.5×90°
|
8
|
30
|
M20
|
6-M19
|
|
570
|
380
|
265
|
230
|
504.5
|
550
|
252.5
|
2.5×90°
|
8
|
22
|
M20
|
6-M16
|
■性能參數Characteristic Parameters
|
規格D
Size
|
楔心套行程L
Lmax Piston stroke
|
單爪行程t Jaw stroke
|
使用壓力MPa
Max. acting pressure
|
夾緊力kN(0.6MPa)
Max. gripping force
|
極限轉速r/min
Max. speed
|
|
500
|
51
|
26(17+9)
|
0.3-1.0
|
105
|
900
|
|
570
|
51
|
26(17+9)
|
0.3-1.0
|
105
|
800
|
|