產品:K11口/口
產品特性:
●A2型(過渡盤連接)Form A2(Use adapter plate)

■特點:
☆與主軸連接方法為:
1、先將A2型法蘭盤安裝于機床主軸上。
2、再將卡盤用前穿螺釘與A2型法蘭盤連接。
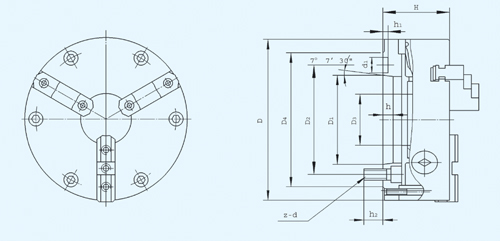
☆卡爪結構型式為整體爪,A型分離爪,C型分離爪,D型分離爪。
■Specificity:
☆Mounted with the machine spindle nose as follows:
*At first, the adapter plate for form A2 can be mounted with the machine spindle nose.
*Secondly, the chuck can be mounted with the adapter plate from front.
☆The structure of the jaws includes one-piece ones and two-piece ones for form A、C、D.
產品詳情
■尺寸、性能參數 Dimension Characteristic Parameters
|
型號規格
Model
|
D
|
D1
|
D2
|
D3
|
D4
|
d1
|
H1
|
h
|
h1
|
h2
|
z-d
|
凈重kg
Net WT.
|
|
165/A25
|
165
|
82.563
|
104.8
|
40
|
133
|
16.3
|
82
|
13
|
7.5
|
21
|
6—M10
|
11
|
|
200/A25
200C/A25
200A/A25
|
200
|
82.563
|
104.8
|
65
|
165
|
19.5
|
95
|
16
|
8
|
23
|
6—M10
|
19
|
|
250/A26
250C/A26
250A/A26
|
252
|
106.375
|
133.4
|
80
|
165
|
19.5
|
105
|
14
|
8
|
20
|
6—M12
|
34
|
|
250/A28
250C/A28
250A/A28
|
252
|
139.719
|
171.4
|
80
|
210
|
24.2
|
105
|
16
|
10
|
25
|
6—M16
|
34
|
|
315/A28
315A/A28
|
315
|
139.719
|
171.4
|
100
|
210
|
24.2
|
120
|
16
|
8
|
22
|
6—M16
|
61
|
|
315/A211
315A/A211
|
315
|
196.869
|
235
|
100
|
280
|
29.4
|
120.5
|
16
|
10
|
31
|
6—M20
|
61
|
|
400D/A28
|
400
|
139.719
|
171.4
|
130
|
210
|
24.2
|
129
|
16
|
8
|
23
|
6—M16
|
—
|
|
400D/A211
|
400
|
196.869
|
235
|
130
|
280
|
29.4
|
130.5
|
16
|
10
|
27
|
6—M20
|
—
|
|
500D/A215
500A/A215
|
500
|
285.775
|
330.2
|
210
|
380
|
35.7
|
159.5
|
17
|
10
|
36
|
6—M24
|
-
|
|