 |
主機部電話:0592-2298836
傳真:0592-6071488
配件部電話:0592-6070088/2298837
維修部電話:13959209952
傳真:0592-6283782
郵 編:361023
E-mail:2298836@163.com
地 址:廈門市集美灌口大道461號一樓
|
 |
|
產品展示 Products shows |
當前位置:首頁 → 產品展示
→ 配件 → 盤絲型手動自定心卡盤
|
|
|
| 詳細介紹: |
產品:K11(QT)
產品特性:

■特點:
☆短圓柱連接形式。
☆盤體材質為球墨鑄鐵。
☆轉速較高,夾緊力較大。
☆卡爪結構形式分為整體和分離爪。
☆按用戶需求,可提供前穿螺釘安裝方式卡盤。
產品詳情
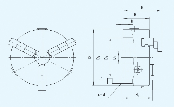
■尺寸、性能參數
|
規格D
Size
|
D1
|
D2
|
D3
|
H
|
H1
|
H2
|
h
|
S
|
z-d
|
最大輸入扭矩Nm
Max.input torque
|
極限轉速r/min
Max.speed
|
凈重kg
Net WT.
|
|
80
|
55
|
66
|
16
|
66
|
50
|
—
|
3.5
|
8
|
3-M6
|
40
|
5000
|
1.9
|
|
100
|
72
|
84
|
22
|
74.5
|
55
|
—
|
3.5
|
8
|
3-M8
|
60
|
4500
|
3.2
|
|
125
|
95
|
108
|
30
|
84
|
58
|
—
|
4
|
10
|
3-M8
|
100
|
3800
|
5
|
|
130
|
100
|
115
|
30
|
86
|
60
|
—
|
3.5
|
10
|
3-M8
|
100
|
3800
|
5.6
|
|
160
|
130
|
142
|
40
|
95
|
65
|
—
|
5
|
10
|
3-M8
|
160
|
3000
|
8.8
|
|
160A
|
130
|
142
|
40
|
109
|
65
|
71
|
5
|
10
|
3-M8
|
160
|
3000
|
8.3
|
|
165
|
130
|
145
|
40
|
96.5
|
66.5
|
—
|
4.5
|
12
|
3-M8
|
160
|
3000
|
9.5
|
|
190
|
155
|
172
|
55
|
105
|
75
|
—
|
5
|
12
|
3-M10
|
250
|
2500
|
13.8
|
|
200
|
165
|
180
|
65
|
109
|
75
|
—
|
5
|
12
|
3-M10
|
250
|
2500
|
15.5
|
|
200C
|
165
|
180
|
65
|
122
|
75
|
78
|
5
|
12
|
3-M10
|
250
|
2500
|
14.1
|
|
200A
|
165
|
180
|
65
|
122
|
75
|
80
|
5
|
12
|
3-M10
|
250
|
2500
|
14.1
|
|
240
|
195
|
215
|
70
|
120
|
80
|
—
|
8
|
12
|
3-M12
|
320
|
2000
|
24
|
|
240C
|
195
|
215
|
70
|
130
|
80
|
84
|
8
|
12
|
3-M12
|
320
|
2000
|
20
|
|
250
|
206
|
226
|
80
|
120
|
80
|
—
|
5
|
12
|
3-M12
|
320
|
2000
|
25.7
|
|
250C
|
206
|
226
|
80
|
130
|
80
|
84
|
5
|
12
|
3-M12
|
320
|
2000
|
23
|
|
250A
|
206
|
226
|
80
|
136
|
80
|
86
|
5
|
12
|
3-M12
|
320
|
2000
|
23
|
|
315
|
260
|
285
|
100
|
147
|
90
|
—
|
6
|
14
|
3-M16
|
400
|
1500
|
47
|
|
315A
|
260
|
285
|
100
|
153
|
90
|
95
|
6
|
14
|
3-M16
|
400
|
1500
|
41
|
|
320
|
270
|
290
|
100
|
152.5
|
95
|
—
|
11
|
13
|
3-M16
|
400
|
1500
|
47.5
|
|
320C
|
270
|
290
|
100
|
153.5
|
95
|
101.5
|
11
|
13
|
3-M16
|
400
|
1500
|
42
|
|
325
|
272
|
296
|
100
|
153.5
|
96
|
—
|
12
|
13
|
3-M16
|
400
|
1500
|
49
|
|
325C
|
272
|
296
|
100
|
154.5
|
96
|
102.5
|
12
|
13
|
3-M16
|
400
|
1500
|
44
|
|
325A
|
272
|
296
|
100
|
169.5
|
96
|
105.5
|
12
|
13
|
3-M16
|
400
|
1500
|
46
|
|
380
|
325
|
350
|
135
|
155.7
|
98
|
—
|
6
|
14
|
3-M16
|
500
|
1200
|
65
|
|
380C
|
325
|
350
|
135
|
156.5
|
98
|
104.5
|
6
|
14
|
3-M16
|
500
|
1200
|
60
|
|
380A
|
325
|
350
|
135
|
171.5
|
98
|
107.5
|
6
|
14
|
3-M16
|
500
|
1200
|
62
|
|
400
|
340
|
368
|
138
|
158
|
100
|
-
|
6
|
17
|
3-K16
|
500
|
1200
|
74
|
|
400D
|
340
|
368
|
138
|
172
|
100
|
108
|
6
|
17
|
3-M16
|
500
|
1200
|
71
|
|
500
|
440
|
465
|
210
|
184
|
115
|
-
|
6
|
17
|
6-M16
|
630
|
1000
|
124
|
|
500D
|
440
|
465
|
210
|
202
|
115
|
126
|
6
|
17
|
6-M16
|
630
|
1000
|
117.6
|
|
500A
|
440
|
465
|
210
|
202
|
115
|
126
|
6
|
17
|
6-M16
|
630
|
1000
|
119
|
|
630
|
560
|
595
|
270
|
214
|
133.5
|
-
|
7
|
19
|
6-M16
|
800
|
800
|
217
|
|
630D
|
560
|
595
|
270
|
218
|
133.5
|
142
|
7
|
19
|
6-M16
|
800
|
800
|
208
|
|
630E
|
560
|
595
|
270
|
220.5
|
133.5
|
142
|
7
|
19
|
6-M16
|
800
|
800
|
215
|
|
800D
|
710
|
760
|
385
|
250
|
161
|
170
|
8.5
|
21
|
6-M20
|
1000
|
600
|
250
|
|
800E
|
710
|
760
|
385
|
250
|
161
|
170
|
8.5
|
21
|
6-M20
|
1000
|
600
|
256
|
|
1000E
|
905
|
950
|
460
|
310
|
198
|
216
|
9
|
24
|
6-M24
|
1200
|
500
|
745.6
|
|
1250E
|
1060
|
1150
|
550
|
341
|
228
|
237
|
11
|
24
|
6-M30
|
1300
|
400
|
-
|
|
|
|
|
|
|