產品:K72口/口A2型
產品特性:

■特點:
☆K72口/口與機床主軸直接連接,分為A2、C、D三種連接型(尺寸參數符合GB/T5900.1—GB/T5900.3(ISO702)標準)。
☆單動可調,適用各種形狀工件的加工。
☆按盤體材質分:灰鑄鐵(K72),鋼盤體(K72(G)。
■Specificity:
☆K72口/口can be directedly mounted to the spindle noses of the machine tools in three ways:A2、C、D forms(The specifications conform to GB/T5900.1—GB/T5900.3(ISO702) standard) .
☆Independent and adjustable , suitable for machining all kinds of special-shaped workpieces.
☆The body materials are classified as gray cast iron (K72) and steel (K72(G)).
產品詳情
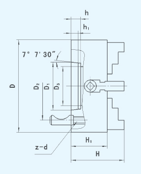
■A2型:穿通螺釘連接 Form A2: mounting from front
|
規格D
Size
|
主軸頭號
short taper No.
|
D1
|
D2
|
D3
|
H
|
H1
|
h
|
h1
|
h2
|
d1
|
z-d
|
凈重Kg
Net WT.
|
|
160
|
4
|
63.513
|
82.6
|
45
|
93
|
65
|
13
|
10
|
6.5
|
14.7
|
4-M10
|
9
|
|
200
|
4
|
63.513
|
82.6
|
56
|
107
|
75
|
13
|
10
|
6.5
|
14.7
|
4-M10
|
15
|
|
250
|
4
|
63.513
|
82.6
|
61
|
120
|
80
|
—
|
10
|
6.5
|
14.7
|
4-M10
|
23
|
|
320 350
|
4
|
63.513
|
82.6
|
61
|
134
|
90
|
—
|
10
|
6.5
|
14.7
|
4-M10
|
40,53
|
|
200
|
5
|
82.563
|
104.8
|
56
|
107
|
75
|
15
|
12
|
6.5
|
16.3
|
4-M10
|
15
|
|
250
|
5
|
82.563
|
104.8
|
75
|
120
|
80
|
15
|
12
|
6.5
|
16.3
|
4-M10
|
23
|
|
320 350
|
5
|
82.563
|
104.8
|
79
|
134
|
90
|
—
|
12
|
6.5
|
16.3
|
4-M10
|
40,53
|
|
400
|
5
|
82.563
|
104.8
|
79
|
143
|
95
|
—
|
12
|
6.5
|
16.3
|
4-M10
|
58
|
|
200
|
6
|
106.375
|
133.4
|
56
|
107
|
75
|
16
|
13
|
6.5
|
19.5
|
4-M12
|
15
|
|
250
|
6
|
106.375
|
133.4
|
75
|
120
|
80
|
16
|
13
|
6.5
|
19.5
|
4-M12
|
23
|
|
320 350
|
6
|
106.375
|
133.4
|
95
|
134
|
90
|
16
|
13
|
6.5
|
19.5
|
4-M12
|
40,53
|
|
400
|
6
|
106.375
|
133.4
|
95
|
143
|
95
|
16
|
13
|
6.5
|
19.5
|
4-M12
|
58
|
|
500
|
6
|
106.375
|
133.4
|
103
|
161
|
106
|
—
|
13
|
6.5
|
19.5
|
4-M12
|
102
|
|
250
|
8
|
139.719
|
171.4
|
75
|
120
|
80
|
18
|
14
|
8.0
|
24.2
|
4-M16
|
23
|
|
320 350
|
8
|
139.719
|
171.4
|
95
|
134
|
90
|
18
|
14
|
8.0
|
24.2
|
4-M16
|
40,53
|
|
400
500
|
8
|
139.719
|
171.4
|
125
|
143
|
95
|
18
|
14
|
8.0
|
24.2
|
4-M16
|
55
|
|
500
|
8
|
139.719
|
171.4
|
136
|
161
|
106
|
—
|
14
|
8.0
|
24.2
|
4-M16
|
102
|
|
320 350
|
11
|
196.869
|
235.0
|
95
|
134
|
90
|
20
|
16
|
10.0
|
29.4
|
4-M20
|
40,53
|
|
400
|
11
|
196.869
|
235.0
|
125
|
143
|
95
|
20
|
16
|
10.0
|
29.4
|
4-M20
|
58
|
|
500
|
11
|
196.869
|
235.0
|
160
|
161
|
106
|
20
|
16
|
10.0
|
29.4
|
4-M20
|
102
|
|
630
|
11
|
196.869
|
235.0
|
180
|
180
|
118
|
20
|
16
|
10.0
|
29.4
|
4-M20
|
159
|
|
800
|
11
|
196.869
|
235.0
|
185
|
202
|
132
|
20
|
16
|
10.0
|
29.4
|
8-M20
|
255
|
|
1000
|
11
|
196.869
|
235.0
|
182
|
252.5
|
150
|
20
|
16
|
10.0
|
29.4
|
8-M20
|
-
|
|
500
|
15
|
285.775
|
330.2
|
160
|
161
|
106
|
21
|
17
|
10.0
|
35.7
|
4-M24
|
102
|
|
630
|
15
|
285.775
|
330.2
|
180
|
180
|
118
|
21
|
17
|
10.0
|
35.7
|
4-M24
|
159
|
|
800
|
15
|
285.775
|
330.2
|
210
|
202
|
132
|
21
|
17
|
10.0
|
35.7
|
8-M24
|
255
|
|
1000
|
15
|
285.775
|
330.2
|
280
|
230
|
150
|
21
|
17
|
10.0
|
35.7
|
8-M20
|
-
|
|
1000
|
15
|
285.775
|
330.2
|
280
|
230
|
150
|
21
|
17
|
10.0
|
35.7
|
8-M22
|
-
|
|
1000
|
15
|
287.775
|
330.2
|
280
|
230
|
150
|
21
|
17
|
10.0
|
35.7
|
8-M24
|
418
|
|
630
|
20
|
412.775
|
463.6
|
180
|
180
|
118
|
23
|
19
|
10.0
|
42.1
|
8-M24
|
159
|
|
800
|
20
|
412.775
|
463.6
|
305
|
360
|
132
|
23
|
19
|
10
|
42.1
|
8-M24
|
-
|
|
1000
|
20
|
412.775
|
463.6
|
305
|
360
|
150
|
23
|
19
|
10
|
42.1
|
8-M24
|
-
|
|
1250
|
20
|
412.775
|
463.6
|
305
|
360
|
165
|
23
|
19
|
10
|
42.1
|
8-M24
|
-
|
|
1400
|
20
|
412.775
|
463.6
|
305
|
360
|
155
|
23
|
19
|
10
|
42.1
|
8-M24
|
-
|
|
1600
|
20
|
412.775
|
463.6
|
305
|
360
|
175
|
23
|
19
|
10
|
42.1
|
8-M24
|
-
|
|
2000
|
20
|
412.775
|
463.6
|
305
|
290
|
190
|
23
|
19
|
10
|
42.1
|
8-M24
|
-
|
產品備注
※根據用戶需求,還可提供配帶分離爪(滑座和頂爪連接尺寸符合ISO3442)的四爪單動卡盤,型號為K72A口/口、 K72D口/口、 K72E口/口。
※Two-piece jaw sets on request (top jaws with tongue groove conforming to ISO3442).Thte model is K72A口/口、 K72D口/口、 K72E口/口separatly.
|