產品:P23
產品特性:

■特點:
☆具有較大通孔,可通過棒料,適應轉速高。
☆可配帶冷卻液回收裝置,并可附設行程開關。
☆是數控車床及簡易數控車床的理想動力源。
■Specificity:
☆The cylinders possess large thru-hole to accept bar-shaped workpieces , suitable for higher rotation speed.
☆Equipped with a coolant collector device and a stroke switch.
☆It is the ideal power source for the CNC and simple CNC lathes.
產品詳情
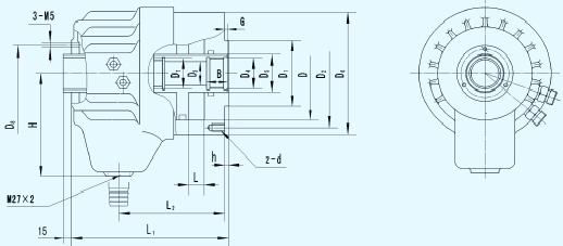
■尺寸參數 Dimension Parameters
|
規格
Size
|
D
|
D1
|
D2
|
D3
|
D4
|
D5
|
D6
|
D7
|
D8
|
z-d
|
L1
|
L2
|
h
|
H
|
B
|
G
|
|
max
|
min
|
|
100×26
|
100
|
70
|
115
|
26
|
M33×1.5
|
40
|
130
|
M33×1.5
|
60
|
6-M8
|
200
|
135
|
5
|
110
|
30
|
27
|
7
|
|
125×35
|
125
|
100
|
125
|
35
|
M42×1.5
|
50
|
155
|
M39×1.5
|
60
|
12-M10
|
205
|
135
|
5
|
125
|
25
|
29.5
|
4.5
|
|
160×52
|
160
|
125
|
160
|
52
|
M60×2
|
70
|
190
|
M60×2
|
86
|
12-M10
|
247
|
162
|
5
|
150
|
30
|
33
|
3
|
|
200×65
|
200
|
160
|
200
|
65
|
M75×2
|
82
|
234
|
M68×2
|
96
|
12-M12
|
260
|
170
|
6
|
170
|
30
|
34
|
4
|
■性能參數 Characteristic Parameters
|
規格
Size
|
活塞有效面積㎝2
Piston effective area
|
活塞行程Lmax
Piston stroke
|
最大使用壓力Mpa
Max. acting pressure
|
極限轉速r/min
Max. speed
|
最大推拉力kN
Max. draw pull
|
凈重Kg
Net WT
|
|
100×26
|
66
|
20
|
3.5
|
5000
|
20
|
13
|
|
125×35
|
103
|
25
|
3.5
|
4000
|
32
|
14
|
|
160×52
|
162
|
30
|
3.5
|
3500
|
51
|
24
|
|
200×65
|
261
|
30
|
3.5
|
3000
|
82
|
28
|
產品備注
※1、活塞桿前端螺紋可直接旋入拉管,后端螺紋可附設行程開關觸頭裝置。
2、進出油管采用卡套式端直通管接頭,高壓軟管對接螺母與管接頭連接紋為M18×1.5,管子外徑為Φ12mm,泄油管應選用內徑為Φ22mm的透明塑料管。
※1、The piston rod, with the thread on the front end, can be screwed into the draw tube directly. An auxiliary device of stroke-mounting limit switch can also be fixed in the thread on the rear end of piston rod.
2、The in-and-out oil hose refers to straight thread connector. The high pressure soft hose nut and the connecting thread of the connector is M18×1.5. The outer diameter of the high press soft hose is Φ12mm. The leak oil hose should be Φ22mm transparent plastic hose.
|